推薦產品
咨詢熱線:
郵件: oklzq@aliyun.com
電話:0317-8309525
地址: 河北省泊頭市南倉街
-
產品詳情

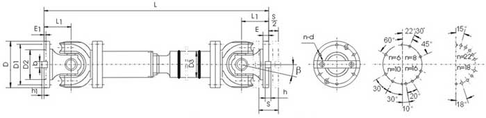
SWP-E型有伸縮法蘭長型萬向聯軸器
| 型號 | 回轉直徑 D mm | 公稱轉矩 Tn kN·m | 疲勞轉矩 Tf kN·m | 軸承折角 β (°) | 伸縮量 s mm | 尺寸mm | |||||||||
| Lmin | D1 | D2 | D3 | E | E1 | b×h | h1 | L1 | n-d | ||||||
| SWP160E | 160 | 16 | 8 | ≤10 | 50 | 715 | 140 | 95 | 114 | 15 | 4 | 20×12 | 6 | 85 | 6-13 |
| SWP180E | 180 | 20 | 10 | ≤10 | 60 | 800 | 155 | 105 | 121 | 15 | 4 | 24×14 | 7 | 95 | 6-15 |
| SWP200E | 200 | 31.5 | 16 | ≤10 | 70 | 880 | 175 | 125 | 127 | 17 | 5 | 28×16 | 8 | 110 | 8-15 |
| SWP225E | 225 | 40 | 20 | ≤10 | 76 | 1000 | 196 | 135 | 152 | 20 | 5 | 32×18 | 9 | 130 | 8-17 |
| SWP250E | 250 | 63 | 31.5 | ≤10 | 80 | 1055 | 218 | 150 | 168 | 25 | 5 | 40×25 | 12.5 | 135 | 8-19 |
| SWP285E | 285 | 90 | 45 | ≤10 | 100 | 1210 | 245 | 170 | 194 | 27 | 7 | 40×30 | 15 | 150 | 8-21 |
| SWP315E | 315 | 140 | 63 | ≤10 | 110 | 1345 | 280 | 185 | 219 | 32 | 7 | 40×30 | 15 | 170 | 10-23 |
| SWP350E | 350 | 180 | 90 | ≤10 | 120 | 1480 | 310 | 210 | 245 | 35 | 8 | 50×32 | 16 | 185 | 10-23 |
| SWP390E | 390 | 250 | 112 | ≤10 | 120 | 1623 | 345 | 235 | 273 | 40 | 8 | 70×36 | 18 | 205 | 10-25 |
| SWP435E | 435 | 355 | 160 | ≤10 | 150 | 1860 | 385 | 255 | 299 | 42 | 10 | 80×40 | 20 | 235 | 16-28 |
| SWP480E | 480 | 450 | 224 | ≤10 | 170 | 2122 | 425 | 275 | 351 | 47 | 12 | 90×45 | 22.5 | 265 | 16-31 |
| SWP550E | 550 | 710 | 315 | ≤10 | 190 | 2338 | 492 | 320 | 402 | 50 | 12 | 100×45 | 22.5 | 290 | 16-31 |
| SWP660E | 600 | 1000 | 500 | ≤10 | 210 | 2930 | 544 | 380 | 450 | 55 | 15 | 90×55 | 27.5 | 360 | 22-34 |
| SWP640E | 640 | 1250 | 630 | ≤10 | 230 | 3170 | 575 | 385 | 480 | 60 | 15 | 100×60 | 30 | 385 | 18-38 |
注:標記示例:回轉直徑D=315mm,安裝長度L=1800mm,E型有伸縮長型萬向聯軸器。
SWP315E×1800聯軸器
SWP-E型有伸縮法蘭長型萬向聯軸器用來聯接不同機構中的兩根軸(主動軸和從動軸)使之共同旋轉以傳遞扭矩的機械零件。在高速重載的動力傳動中,有些聯軸器還有緩沖、減振和提高軸系動態性能的作用。聯軸器由兩半部分組成,分別與主動軸和從動軸聯接。一般動力機大都借助于聯軸器與工作機相聯接。聯軸器種類繁多,按照被聯接兩軸的相對位置和位置的變動情況,可以分為:①固定式聯軸器。主要用于兩軸要求嚴格對中并在工作中不發生相對位移的地方,結構一般較簡單,容易制造,且兩軸瞬時轉速相同,主要有凸緣聯軸器、套筒聯軸器、夾殼聯軸器等。②可移式聯軸器。主要用于兩軸有偏斜或在工作中有相對位移的地方,根據補償位移的方法又可分為剛性可移式聯軸器和彈性可移式聯軸器。剛性可移式聯軸器利用聯軸器工作零件間構成的動聯接具有某一方向或幾個方向的活動度來補償,如牙嵌聯軸器(允許軸向位移)、十字溝槽聯軸器(用來聯接平行位移或角位移很小的兩根軸)、萬向聯軸器(用于兩軸有較大偏斜角或在工作中有較大角位移的地方)、齒輪聯軸器(允許綜合位移)、鏈條聯軸器(允許有徑向位移)等,彈性可移式聯軸器(簡稱彈性聯軸器)利用彈性元件的彈性變形來補償兩軸的偏斜和位移,同時彈性元件也具有緩沖和減振性能,如蛇形彈簧聯軸器、徑向多層板簧聯軸器、彈性圈栓銷聯軸器、尼龍栓銷聯軸器、橡膠套筒聯軸器等。





